1. 조합 회로 ( Combinational Circuit )
게이트의 조합으로 이루어지는 논리회로로 입력이 주어지면 바로 출력이 나오는 회로다.
이전의 회로 상태가 출력에 영향을 미치지 않는데 즉, 메모리 소자를 갖지 않는다.
ex) 게이트, 가산기, 멀티플렉서, ALU 등등
2. 반가산기 (HA)
두 1비트 입력들의 합을 출력하는 장치이다.
다른 캐리를 고려하지 않고 계산하는 것이다.
S = sum, A, B를 XOR 한 연산과 동일하다
C = Carry , A, B를 AND 한 연산과 동일하다


3. 전가산기 (FA)
반가산기와 다른 점은 캐리를 고려하여 만든 가산기다.
반가산기 2개와 OR게이트를 이용하여 구현할 수 있다.




4. 반감산기 (HS)
가산기와 비슷하다. 바로우라는 것이 발생한다.
바로우란 음수인데, 컴퓨터는 음수를 처리할 수 없기 때문에 문제가 된다.
B는 X'Y 연산의 결과다
D는 X와 Y의 XOR연산과 같다


5. 전감산기 (FS)
전가산기와 동일하다 이전 단의 바로우를 포함하는 뺄셈 회로로 구성되는데,
2개의 반감산기와 OR 게이트를 이용하여 구현할 수 있다.




6. 리플 캐리 가산기
여러 비트로 표현되는 숫자 덧셈을 위해 2개 이상의 전가산기를 병렬로 연결하여 구성한 가산기이다

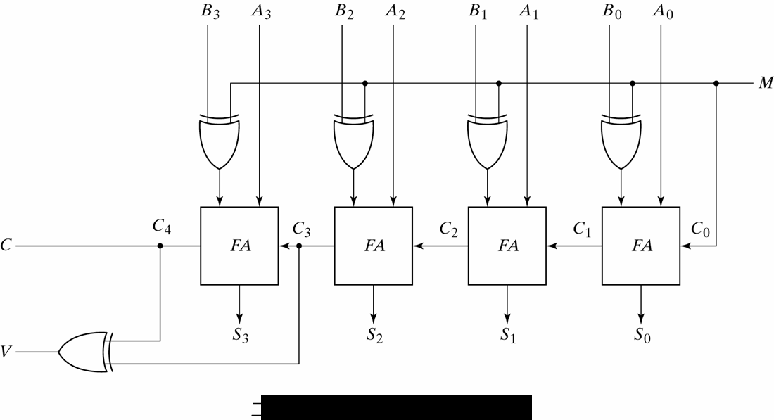
7. 병렬 가감산기
뺄셈 연산을 2의 보수 덧셈으로 구현한 가산기인데. M = 0이라면 가산기로 동작하고 M = 1이라면 감산기로 동작한다.
예를 들어보자, 왼쪽에서부터 X에 1100 이 들어간다고 하자, 만약 M = 0 이면, XOR 연산을 하여 1100 그대로 들어간다. 만약 M = 1 이면, 반대로 0011이 출력된다. 즉, 뒤집힌다. 여기에 1을 더하니 2의 보수로 동작하는 것이다.

8. BCD 가산기

자릿수 별로 표기한다. 더하기도 자릿수 별로 하면 되는데, 만약 결과가 9를 초과한다면 6 ( 0110 )을 더해준다. 10 이상부터는 값을 보정한다고 말한다.
예를 들어 8 + 7 = 15 라면
1000
+0111
--------
= 1111
+ 0110
--------
= 0001 0101
위와 같이 연산이 된다.
9. 인코더 (encoder)
코드를 만드는 회로로 여러 개의 입력 신호 중 단 하나의 활성화( = 1 )된 입력을 표현하기 위해 암호화하여 출력하는 장치다. 인코더는 10진수 등의 정보를 2진수와 같은 코드로 변환하는 부호기라고 부르기도 한다. 활성화되는 입력 신호가 바뀌면 암호화되는 출력도 바뀐다.


10. 디코더 (decoder)
인코더와 짝을 이루어 암호화된 코드를 해독하는 회로로 복호기라는 말로도 불린다. 인코딩 된 인력이 담고 있는 하나의 활성화된 신호를 다시 풀어서 출력하는 장치로, 하나의 비트만 1을 가진다.
입력선에 나타나는 n비트의 2진 코드를 최대 2의 n승개의 서로 다른 정보로 바꿔주는 조합 논리회로다. 인에이블(enable) 단자를 가지고 있는 경우는 디멀티플렉서의 기능도 수행한다.

11. 멀티플렉서 (MUX)
여러 개의 입력 선들 중에서 하나를 선택하여 출력선에 연결하는 조합 회로이다. 선택선들의 값에 따라서 특정 입력선이 선택되는데 많은 입력들 중 하나를 선택하여 선택된 입력선의 2진 정보를 출력선에 넘겨주기 때문에 데이터 선택기라고 부르기도 한다. 정리하면 제어 신로에 의해 입력 단과 출력단을 연결하는 스위치다. 더 간단히 말하면 입력 신호 중에 하나만 선택하여 출력한다.
S는 Select의 약자이다.

12. 디멀티플렉서 (DEMUX)
한 선의 정보를 받아 2의 n승 개의 가능한 출력 선들 중 하나를 선택하여, 받은 정보를 전송하는 회로이다. 데이터 분배기라고도 불린다. 멀티플렉서와 반대의 연산을 수행하는 회로다.


[정보통신기사] UTP/STP CATegory 분류, 토큰링, FDDI, SAS, DAS, 집중화기, ATM, MUX, Multiplexing, 다중화기, LAN
1. 용어정리- Baseband : LAN, 디지털, 단거리, 양방향 통신, 데이터 전송, 단일 채널, TDM(시분할) 방식- Broadband : WAN, 아날로그, 장거리, 단방향 통신, 데이터-음성-영상 전송, 다중 채널, FDM(주파수 분할
infoofit.tistory.com
[정보통신기사] 디지털 전송 - 회선 부호화, NRZ 부호화, 맨체스터 부호화, 블록 부호화, PCM, 표본화, 계수화, 병렬 전송, 동기식 전송, 비동기식 전송
[정보통신기사] 디지털 전송 - 회선 부호화, NRZ 부호화, 맨체스터 부호화, 블록 부호화, PCM, 표본
A. 디지털 정보 -> 디지털 변환Digital-to-Digital Encoding, 디지털 정보를 디지털 신호로 변환하여 전송회선 부호화 (Line Coding) :항상 필요!!블록 부호화 (Block Coding)뒤섞기 (Scrambling) 1. 회선 부호화 (Line C
infoofit.tistory.com